Metered oxygen and propane

Boom! The classic potato gun harnesses the combustion of flammable vapor. Show us your combustion spud gun and discuss fuels, ratios, safety, ignition systems, tools, and more.
snowjack
Private
Private
Posts: 9
Joined: Mon Jan 01, 2007 10:37 pm

Thu Jan 04, 2007 2:09 am

I'm building my first spud gun, and am starting off simple. It's going to be a basic inline PVC unit with a stungun ignition. But I expect at some point (probably soon) I'll get tired of opening the base cap, ventilating, adding some guesstimated amount of fuel, getting irregular performance, etc.

SO... I plan to add metered propane eventually, but I'm a little hesitant about putting a fan in the chamber. I want to minimize the amount of wires & other stuff in the chamber. Anyway, with a fan you still have to remove the base cap and ventilate.

I've searched the forums and can't seem to find anyone just injecting metered oxygen along with metered propane. I'm planning on buying an oxy-acetylene welding setup and just running the propane & oxygen lines through check valves into the meter chamber. I was thinking I'd use a single metering chamber for both gases; the oxy-propane ratio would be set by using higher pressure for the oxygen line.

If I keep the amount of oxygen near atmospheric levels for the combustion chamber volume, I wouldn't expect any serious safety issues provided I'm careful to purge all acetylene from the regulator and lines. I'm aware that using more oxygen/fuel mix than would normally go into the chamber using air is really dangerous... though I might experiment with slightly higher amounts of fuel/O2 after I set up the 250' remote RF ignition system and take cover. :twisted:

No combustion chamber ventilation required. Load spud, inject fuel/O2, fire, repeat. Right?

Is there something I'm missing? Why isn't anyone else doing this? (Or are they?)
User avatar
Pete Zaria
Corporal 5
Corporal 5
Posts: 954
Joined: Fri Mar 31, 2006 6:04 pm
Location: Near Seattle, WA

Thu Jan 04, 2007 2:59 am

Snowjack,
Welcome to the forums. You seem like you've read up on the topic a bit. We like people like that.

Your setup sounds good. Keep in mind, you should not use oxygen enriched mixtures in normal sch40 (let alone DWV) pipe. If you intend to burn oxygen enriched mixtures, you really should opt for sch80. At the very least, make sure your pipe and fittings are all NSF-PW rated.

You may have issues using one meter pipe for both gases, but it can definitely be done. One thing I don't like about that design is that you're containing a pressurized, stoichiometric mix of propane/oxygen in a pipe - if it were somehow to ignite (static, indrect heat, etc...) this would become a bomb.
Assuming it's not out of budget, I'd just run two meter pipes. You could connect them to the chamber with one hole via a T. They could even be made of PVC to save money.

Unfortunately, you'll still need to vent your chamber, because of the spent exhaust gases from the previous shot. There's really no way around this.
You could put a ball valve on the back end of the chamber instead of a clean out cap, which allows for quick venting. But if you do this, make sure you leave some way to access the chamber in case of repairs. Some people go so far as to put a check valve and mattress inflater on their chamber for automatic venting.

I like the remote detonation idea using a stungun. Should work beautifully.

Keep in mind, a fan does help to mix the gases together, and vent the chamber. The "wires" problem really isn't a very big one, you're only talking about two wires. Put them through a very small hole where a pipe and fitting overlap, and epoxy any space around the wires. Simple and safe. This is just my opinion, though.

Attached is a quick drawing of the design I'm working on now. You could add a second meter pipe for oxygen and attach both meters with a T. Also attached is a set of Excel spreadsheets called the ProMeter Suite (in a zip file, I promise it's virus free). The sheet called ProMeterOX gives you proper propane and oxygen meter pipe sizes for a given chamber size. Hope these are helpful to you.

Good luck. Let me know if there's any other questions I can answer.

Peace,
Pete Zaria.
Attachments
ProMeterSuite.zip
(227.01 KiB) Downloaded 249 times
(c) copyright 2006 Pete Zaria, all rights reserved. No duplication or distribution without author's written permission. Contact petezaria(at)gmail(dot)com for info.
(c) copyright 2006 Pete Zaria, all rights reserved. No duplication or distribution without author's written permission. Contact petezaria(at)gmail(dot)com for info.
snowjack
Private
Private
Posts: 9
Joined: Mon Jan 01, 2007 10:37 pm

Thu Jan 04, 2007 11:45 am

Cool! Thanks, Pete!
snowjack
Private
Private
Posts: 9
Joined: Mon Jan 01, 2007 10:37 pm

Thu Jan 04, 2007 11:54 am

Can anyone tell me what it is about the exhaust gases that causes a problem? Does carbon monoxide interfere with combustion or something? I figured as long as there was a stoichometric mix of fuel and o2 it should combust nicely, unless there's something that reacts with the oxygen.
User avatar
Bluetooth
Corporal 4
Corporal 4
Posts: 863
Joined: Tue Jun 27, 2006 7:57 am

Thu Jan 04, 2007 12:14 pm

There's an edit button and the exhaust gases just don't burn so you have to empty them out first.
User avatar
Pete Zaria
Corporal 5
Corporal 5
Posts: 954
Joined: Fri Mar 31, 2006 6:04 pm
Location: Near Seattle, WA

Thu Jan 04, 2007 3:20 pm

Snowjack,

When you meter out the right mix of propane (and/or oxygen), that mixture is taking into account a certian amount of fresh air in the chamber. Basically, when you calculate your mixtures and fuel pipe volumes, that calculation is taking into account that there's already a set amount of fresh air in the chamber.
If you tried to fire two shots back to back without venting, the second will not ignite, because the exhaust gases from the previous shot are displacing the fresh air in the chamber, which upsets your mixture. You could calculate your mixture to include the exhaust gases in the chamber, but this would reduce power significantly.
I hope that makes sense. Have you checked out the ProMeterSuite spreadsheets? I think those would be useful to you.

Let me know what you intend to build before you buy parts. I'd love to take a look at your design.

PS - no big deal, but some of the forum patrons get a little pissed off when you double post - instead of posting twice, edit your comments into your previous post.

Peace,
Pete Zaria.
Obctg
Private 2
Private 2
Posts: 26
Joined: Sun Nov 27, 2005 1:20 am
Location: Murfreesboro, TN
Contact:

Thu Jan 04, 2007 7:21 pm

so pete

is there a formula for finding moles of oxygen required per 1 ft. cubed?
snowjack
Private
Private
Posts: 9
Joined: Mon Jan 01, 2007 10:37 pm

Thu Jan 04, 2007 7:40 pm

Pete, those spreadsheets are great, thanks for sharing them. Unfortunately I already bought some 4" sch40, and after reviewing the pressure and temperature derating charts for sch40 I've decided putting more than 20% of the chamber volume in oxygen with sch40 wouldn't be a good idea. I'll probably save the oxygen enrichment for my second gun. I like your suggestion of having two meter pipes, on the first shot I'd have to inject only the propane due to the oxygen already in the chamber anyway.
Bluetooth wrote:There's an edit button and the exhaust gases just don't burn so you have to empty them out first.
I know exhaust gases don't burn. Neither does nitrogen, which takes up about 75% of the combustion chamber just before you fire. But thanks, I have now learned the magic of the edit button, and from this day on, I shall always use it to prevent further senseless wasting of screen space. :wink: Sorry for the multiple post.
Pete Zaria wrote:If you tried to fire two shots back to back without venting, the second will not ignite, because the exhaust gases from the previous shot are displacing the fresh air in the chamber, which upsets your mixture. You could calculate your mixture to include the exhaust gases in the chamber, but this would reduce power significantly.
I was planning to calculate the mixture to include the exhaust gases, but I still don't see why this would reduce the power.

After thinking about it a while, the only reason I could come up with as to why it would cause problems is if my stoichometric ratio was inexact. Which it probably would be, a little. So, there would be some unconsumed propane or oxygen left in the chamber after firing, and there would be more and more of that unconsumed gas in the chamber with every shot. So the mix would either be leaner after every shot, or richer after every shot, depending which way the ratio was off. Right?

By the way, I like your sig.

EDIT:
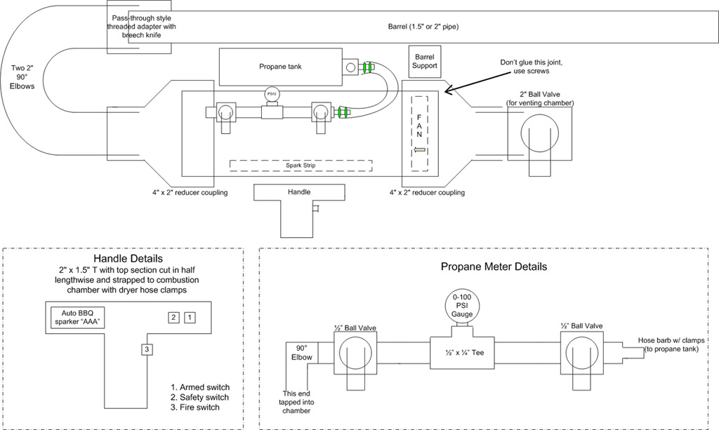
So, here's what I have in mind for my first spud gun at this point:
* Inline design
* 48" x 1.5" sch40 clear PVC barrel, pass thru breech loader
* 12" x 4" sch40 white PVC chamber
* metered propane
* rechargable air mattress inflator like this for ventilation - the handle will be a nice addition
* stungun ignition w/ 3 or 4 sparks in chamber
* stungun trigger will be wired to a remote ignition system, and also to a manual switch on the air pump handle, with a 3-way switch (safety, manual ignition, remote ignition)
Post Reply