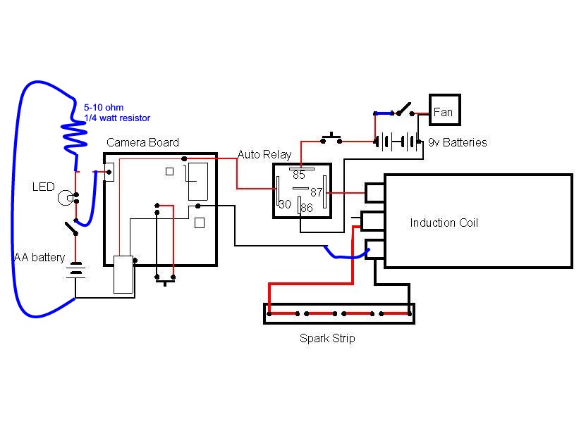
Most of the information from this schematic came from the wiki. I pieced it all together and added some additional items, such as the LED and the fan.
If anyone notices any flaws, please let me know.
Schematic for Camera Ignition
- Attachments
-
- schematic.JPG (34.67 KiB) Viewed 3894 times
- jimmy101
- Sergeant Major 2


- Posts: 3210
- Joined: Wed Mar 28, 2007 9:48 am
- Location: Greenwood, Indiana
- Has thanked: 6 times
- Been thanked: 18 times
- Contact:
Hubb017: Very nice description.
I wonder how long an automotive relay will last in this usage? A starter relay might be better, but they are much harder to find.
The LED in series with the 1.5V battery is interesting. Have you actually tried this? An LED wired across a AA/AAA battery, with no other circuitry, will fry itself instantly. If there is enough resistance in the photoflash board then that will keep the current through the LED to a safe (for the LED) level. But, most LEDs have a ~1.4V drop across'm. So, your 1.5V battery is only supplying ~0.1V to the flash board.
I wonder how long an automotive relay will last in this usage? A starter relay might be better, but they are much harder to find.
The LED in series with the 1.5V battery is interesting. Have you actually tried this? An LED wired across a AA/AAA battery, with no other circuitry, will fry itself instantly. If there is enough resistance in the photoflash board then that will keep the current through the LED to a safe (for the LED) level. But, most LEDs have a ~1.4V drop across'm. So, your 1.5V battery is only supplying ~0.1V to the flash board.

I haven't tried this yet. It came from this forum's wiki. The main reason I posted it was to get input on anything that may be wrong, and who better else than jimmy101 (reading your other posts, you struck me as someone with decen brain power). Where would you recommend the LED to go?
- jimmy101
- Sergeant Major 2


- Posts: 3210
- Joined: Wed Mar 28, 2007 9:48 am
- Location: Greenwood, Indiana
- Has thanked: 6 times
- Been thanked: 18 times
- Contact:
Oh, and why are there two switches (a push button and a SPST) in the fan control circuit?
There should only be one wire going to the HV contact (the center post) on the coil. The black wire drawn to the HV terminal should go to the same terminal as the black wire from the spark strip.
There should only be one wire going to the HV contact (the center post) on the coil. The black wire drawn to the HV terminal should go to the same terminal as the black wire from the spark strip.

- Fnord
- First Sergeant 2

- Posts: 2239
- Joined: Tue Feb 13, 2007 9:20 pm
- Location: Pripyat
- Been thanked: 1 time
- Contact:
?an LED wired across a AA/AAA battery, with no other circuitry, will fry itself instantly.
I've never had any problems using an AA battery. I did fry a couple with a 9v, but they just began glowing very dimly.

The push button and the spst switch are wired into the fan so that one could turn on the switch and simply press the momentary to operate the fan. I guess it could do without the flip switch.
As for the other, that's the way it was in the wiki. I'll get it changed ASAP.
As for the other, that's the way it was in the wiki. I'll get it changed ASAP.
- jimmy101
- Sergeant Major 2


- Posts: 3210
- Joined: Wed Mar 28, 2007 9:48 am
- Location: Greenwood, Indiana
- Has thanked: 6 times
- Been thanked: 18 times
- Contact:
For the "power on" LED for the flash board you just need to put it in parallel with the board and put a 5~10 ohm resistor in series with the LED (for a 1.5V power source).
You might recommend replacing the AA or AAA battery with a C or D, they will last a lot longer than the A series batteries.
The wires to the fan could be a little clearer, it kind of looks like one wire instead of two.
You should use the correct symbol for an LED, especially since it is a polar device and won't work if it is wired backwards.
Always nice to label the + terminal on the battery(ies).
"Induction coil" should probably be "Automotive Ignition Coil" or some such verbage.
The photoflash board usually has two switches on it. The main power switch is often really an "on until nothing happens for a while" control. I think the place you show the push button switch really corresponds to the "on until nothing happens for a while" control. Usually people remove that switch and just solder the contacts closed. A toggle switch in series with the battery controls power to the circuit. The other "switch" on the board isn't a switch at all, just two contacts. The actual switch in the camera is usually located up at the shutter release button. So you probably need to mark the trigger switch in some other way. On the board shown below the switch goes between the two pieces of metal labelled "Short to flash".


The "on switch" is the "on until nothing happens for a while" control.
You might recommend replacing the AA or AAA battery with a C or D, they will last a lot longer than the A series batteries.
The wires to the fan could be a little clearer, it kind of looks like one wire instead of two.
You should use the correct symbol for an LED, especially since it is a polar device and won't work if it is wired backwards.
Always nice to label the + terminal on the battery(ies).
"Induction coil" should probably be "Automotive Ignition Coil" or some such verbage.
The photoflash board usually has two switches on it. The main power switch is often really an "on until nothing happens for a while" control. I think the place you show the push button switch really corresponds to the "on until nothing happens for a while" control. Usually people remove that switch and just solder the contacts closed. A toggle switch in series with the battery controls power to the circuit. The other "switch" on the board isn't a switch at all, just two contacts. The actual switch in the camera is usually located up at the shutter release button. So you probably need to mark the trigger switch in some other way. On the board shown below the switch goes between the two pieces of metal labelled "Short to flash".


The "on switch" is the "on until nothing happens for a while" control.

- jimmy101
- Sergeant Major 2


- Posts: 3210
- Joined: Wed Mar 28, 2007 9:48 am
- Location: Greenwood, Indiana
- Has thanked: 6 times
- Been thanked: 18 times
- Contact:
I would omit the push button switch and leave the SPST. You run the fan to;hubb017 wrote:The push button and the spst switch are wired into the fan so that one could turn on the switch and simply press the momentary to operate the fan. I guess it could do without the flip switch.
As for the other, that's the way it was in the wiki. I'll get it changed ASAP.
1. Mix the fuel.
2. The fuel burns a lot faster if it the fan is running when it is ignited.
3. The fan helps to ventilate the chamber.
So, the fan really might as well be running pretty much all the time. Or at least, you'll be running the fan for longer periods than what is convienent for a pushbutton switch.

-
TurboSuper
- Corporal 5

- Posts: 986
- Joined: Thu Jun 16, 2005 1:44 pm
- Been thanked: 1 time
Just a quick question:
Why don't you use an SCR instead of a relay? They can be rated for a very high current/voltage, are cheaper (I think), and you don't need to hold down the button to trigger them.
Why don't you use an SCR instead of a relay? They can be rated for a very high current/voltage, are cheaper (I think), and you don't need to hold down the button to trigger them.
"If at first you dont succeed, then skydiving is not for you" - Darwin Awards
- jimmy101
- Sergeant Major 2


- Posts: 3210
- Joined: Wed Mar 28, 2007 9:48 am
- Location: Greenwood, Indiana
- Has thanked: 6 times
- Been thanked: 18 times
- Contact:
A high voltage SCR will work, that is what I used on my coil gun. An SCR is probably better than the relay since there are no points to burn. But, big ass SCRs are not something you can pick up at a local store or junkyard.
All Electronics (and most other surplus electronics places) ocassionally have'm for pretty cheap. High power SCRs are sometimes called "solid state relays".
The one I use is;
Silicon Power Cube, SCR and Diode
1KV, 16Amp (16Killowatts!) and it'll handle 400Amp surges
Part M25/16-1K, $4.50
The high voltage/current diode is also good as the bypass on the coil.
It might be possible to get a more generic, and much smaller, "high powered" SCR to work even if the "high power" is a lot less the the big one listed above. Probably need an SCR rated to at least 300V and perhaps 1 to 5 amps. The capacitor may well supply more than 5 amps but as long as it doen't do it for too long the SCR can handle it.
All Electronics (and most other surplus electronics places) ocassionally have'm for pretty cheap. High power SCRs are sometimes called "solid state relays".
The one I use is;
Silicon Power Cube, SCR and Diode
1KV, 16Amp (16Killowatts!) and it'll handle 400Amp surges
Part M25/16-1K, $4.50
The high voltage/current diode is also good as the bypass on the coil.
It might be possible to get a more generic, and much smaller, "high powered" SCR to work even if the "high power" is a lot less the the big one listed above. Probably need an SCR rated to at least 300V and perhaps 1 to 5 amps. The capacitor may well supply more than 5 amps but as long as it doen't do it for too long the SCR can handle it.


